電源供應器冗余方法與應用
willard@meanwell.com
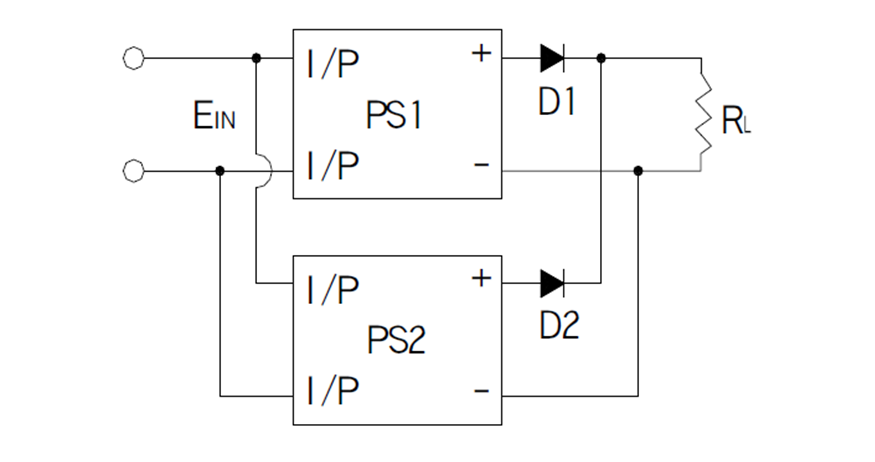
隨著科技日新月異,各種精密儀器設備對于電源的穩定性也越來越注重,例如工業計算機、服務器與電信廠房設備等等。通常設備廠商的設計會如圖一的方式,選用2臺電源供應器,于輸出正端各別串接二極管,再并聯接到負載端。這樣的設計理念,是當其中一臺當機時,另一臺仍會持續運轉,確保整個設備的穩定性。另外,不建議以選擇具并聯功能的電源供應器并聯來取代備援,因為并聯還是有機會因其中一臺電源供應器輸出端損害短路,造成整個系統異常。

圖一 使用二極管并聯方式
- 如圖二中耐壓VRRM要大于電源輸出電壓,以防止電壓逆灌。
- 如圖二中耐流IO建議要大于2倍的電源輸出電流,以確保二極管耐受。
- 如圖二中順向電壓Vf越低越好;若是耐壓許可,建議選用蕭特基二極管,因為這樣Vf會比較低,二極管溫度會較低,散熱片面積可以比較小。
另外因為二極管會有損耗產生,并以熱的方式呈現,因此還需設計散熱片來散熱,確保二極管的溫度不會超過其耐溫。

圖二 蕭特基二極管ESAD83-006R規格
以上所提到的冗余方式都是要由設備廠商自行設計與驗證,但并非所有的廠商都有此能力,設備廠商可以選擇有冗余功能的產品,例如UHP系列的冗余選配,或選擇搭冗余模塊。明緯于早期設計了一款DR-RDN20的電源并聯冗余模塊,提供備援解決方案,將二極管、散熱片以及一些功能做成軌道式的外觀,方便于客戶組裝作冗余應用。
因為冗余產品需求越來越多,舊款冗余模塊的體積與效能無法滿足需求,明緯新開發了次世代軌道型可快速掛軌的DRDN20/40系列,并同時規劃了采鎖螺絲固定的機殼型ERDN20/40系列,新舊世代詳細差異如圖三所示。
DRDN20/40及ERDN20/40系列是一系列20A/40A電源并聯冗余模塊,可搭配電源供應器做冗余,藉以提升整體系統運行穩定度及可靠度,主要特點包含: 可支持系統1+1及1+N冗余、適用5V (僅ERDN20) /12V/24V/48V系統電壓、二路DC輸入接點與單路輸出,內建二路DC OK繼電器接點可偵測電源狀態、采Mosfet技術可降低熱損并減少輸入與輸出電壓之間的壓差、-40~+80℃超寬工作溫度…..等,適用于需要確保設備不可中斷運行的應用場合。

圖三 新舊世代電源供應器冗于模塊差異表
